智能氣體渦輪流量計
▮概述
LWQZ型智能氣體渦輪流量計,適用于測量各種燃氣及工業領域中各種氣體,如:天然氣、城市煤氣、丙烷、空氣、氮氣等。儀表精度高、重復性好,是石油、電力、冶金、工業與民用鍋爐等燃氣計量和城市天然氣、燃氣調壓站計量及燃氣貿易計量的理想儀表。
▮工作原理
LWQZ型智能氣體渦輪流量計的工作原理:進入儀表的被測氣體,經截面收縮的導流體加速,然后通過進口通道作用在渦輪葉片上,使渦輪產生旋轉;渦輪轉速與被測氣體的體積量成正比并通過旋轉的發訊盤上的磁體周期性變化傳感器磁阻,從而傳感器輸出與流體流量成正比的脈沖信號。

▮特點
.集高精度溫度、壓力、流量傳感器和智能積算儀于一體,可檢測介質的溫度、壓力、流量,并進行流量自動跟蹤補償和壓縮因子修正,檢測氣體的標準體積流量和標準體積總量。
.流量計修正儀可180度旋轉,便于安裝。
.采用德國進口儀表專用精密軸承,精度高,重復性好,量程比寬可達20:1。
.獨立式機芯設計,具有良好的互換性,方便維護。
. 采用先進的單片機技術與高性能的集成芯片,整機功能強大,性能優越。
.電路采用表面貼裝工藝,結構緊湊、可靠性高。
.采用先進的微功耗高新技術,內、外部電源均可工作,整機功耗低。
.采用高對比度的液晶顯示器,可顯示標準體積總量(質量)、標準瞬時流量(質量)、工況瞬時流量、電池容量顯示符、溫度值、壓力值和日期、時間,并帶有故障顯示報警。
.采用浮點運算和儀表系數自動修正,并具有故障自診斷和報警功能。
.流量計帶有脈沖信號輸出,也可根據用戶需要輸出4-20mA標準模擬信號。
.具有實時數據存儲功能,可防止換電池和突然掉電時數據丟失;在停電狀態下,內部參數可永久保存;也可查詢流量計運行的大量歷史數據。
.儀表自帶實時數據庫,通過RS485通訊接口,可組成電話抄表網絡,便于數據的集中采集和實時管理。
.儀表具有整體防爆功能,可用于相應的爆炸性危險場所。
▮主要技術參數
型號規格和基本參數

1.測量介質:天然氣、城市煤氣等各種燃氣、烷類及工業惰性氣體;
2.公稱通徑:DN25 ~ DN300;
3.公稱壓力:PN16,PN25,PN40,PN63,PN100,PN160,
Class150, Class300,Class600, Class900;
4.介質溫度:-30℃ ~ +80℃;
5.精度等級:1.0級、1.5級;
6.連接形式:法蘭連接,法蘭標準國標、化工部、美標;
7.殼體材質:鋁合金,304或316L不銹鋼;
8.環境溫度:-20℃ ~ +55℃;
9.相對濕度:5%~95%;
10.大氣壓力:86kPa~106kPa
11.防爆等級:ExdIIBT4 Gb;
12.防護等級:IP66;
13.電氣性指標:
a.工作電源:內電源:一節3.6V鋰電池;外電源:+24VDC±15%,
b.信號輸出(須外加電源+24V):
工況脈沖信號(三線制)輸出;4-20mA標準模擬量信號輸出
c. 通訊方式:RS-485通訊;Hart協議。
d.整機功耗:內電源:平均功耗3mw,外電源:整機功耗≤1w。
e.實時數據存儲功能:
增加了實時數據存儲功能,根據用戶需要形成數據報表和曲線圖以供分析。
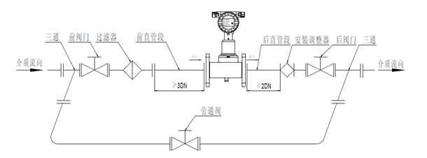
▮流量計外形尺寸及安裝示意圖

▮流量計安裝示意圖

▮氣體渦輪流量計產品型號標記













