橢圓齒輪流量計


■產品概述
0I系列橢圓齒輪流量計是我公司從德國Bopp&Reuthel’公司引進的具有當代國際水平的流量儀表。OI橢圓齒輪流量計是容積式流量計的典型,用來計量在一定壓力下充滿管道的液體流量。它具有結構簡單,使用可靠,準確度高,對進出口管道內的流場無特殊要求,被測介質的粘度范圍和流量范圍都很寬廣等特點。因而被廣泛用于石油、化工、醫藥、交通、食品等工業及商業部門的液體流量檢測。OI系列橢圓齒輪流量計還廣泛用于船舶的燃油計量。
精大OI橢圓齒輪流量計可以測量汽油、柴油、煤油、潤滑油、液壓油等各種油品介質,也可以計量各種液體介質。如果您要咨詢流量計型號、參數,歡迎直接致電我廠。
■技術參數
1.相關標準。遠傳顯示現場防爆等級ExiaⅡCT5,防爆合格證號GYB00568,
執行產品標準:Q/JD2004-2010《液體容積式流量計》(企業標準)
JB/T9242-1999《容積式流量計通用技術條件》(國家專業標準)
計量器具生產許可證:皖制01000018號
2.重復性誤差
流量計各流量點的重復性誤差不超過流量計基本誤差限絕對值的1/3.
3.準確度等級及基本誤差限
| 精度等級 | 0.2 | (0.3) | 0.5 |
| 基本誤差限 % | ±0.2 | ±0.3 | ±0.5 |
| 基本型號 | 公稱通徑(mm) | 額定流量(L/h) | 使用條件 | 粘度(mPa.s) | |||||||
| 0.8~2.5 | 2.5~20 | 20~150 | 150~350 | ||||||||
| OI03 | 6 | 120 | 最大連續間歇 |
120 30-80 30-110 |
120 60-80 60-110 |
120 20-100 20-120 |
120 40-100 40-120 |
110 10-110 |
110 20-110 |
60 6-60 |
60 12-60 |
| 精度等級 | 0.5 | 0.3 | 0.5 | 0.3 | 0.5 | 0.3 | 0.5 | 0.3 | |||

4.標準型流量計(公稱通徑大于25mm以上)

備注:1.測量冷水的流量范圍,連續運行時大流量取0.3-1.5mPa.s欄中最大流量的50%;最大流量取欄中最大流量的70%;
間歇運行時,大流量取該欄最大流量的70%。
2.測量熱水的流量范圍,連續運行時,取≤0.3mPa.s欄中最小流量。
3.當介質粘度大于150mPa.s時,流量計中橢圓齒輪除OI5仍用通用齒型外,其他均用特殊齒形。
4.硫酸等強腐蝕性介質的流量范圍另行規定,請用戶與本公司聯系。
5.0.2級流量計,測量介質溫度一般在0-60℃。
5.高粘度流量計
對于高粘液體,用帶有特殊齒形(欠齒)和不銹鋼滾珠軸承(而不是石墨軸套)的流量計(用于牛頓流體)
他們用F57和F27材料組組成,可從下列表中選擇型號、規格以及流量范圍。F27和F57材料組組成流量計中
僅OI5是帶標準橢圓齒輪。

6.基本誤差曲線
小型流量計基本誤差曲線 標準型流量計基本誤差曲線

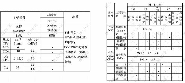
7.主要零件材料及公稱壓力
小型流量計主要材料及公稱壓力 標準型流量計主要構件材料及公稱壓力

備注:1.F5材質為OCr18Ni12Mo2Ti;F8材質為OCr18Ni9Ti,其他材料組中不銹鋼均為F8.
2.本表不包含特殊材料的流量計。
3.特殊材料只有批量訂貨才能投產。
8.允許被測介質溫度
小型流量計允許的被測介質溫度 標準型流量計允許被測介質溫度

備注:1.高溫調整:橢圓齒輪的配合尺寸有所改變,產品型號標記代號加“T”
2.產品型號標記代號加“S”
9.與用戶選型有關的部件
1.計數器代號、功能及外形
| 計數器代號 | 計數器名稱 | 功能 | |
| 小型流量計 | R7 | 滾輪計數器 | 指示累積流量 |
| 標準型流量計 | E(Es、Ew) | 單指針計數器 | E、D計數器,指示累積流量;D計數器,其中指針通過按鈕回零,E、D標度盤與水平面垂直;Es、Ds標度盤與水平面傾45°; |
| 標準型流量計 | D(Ds、Dw) | 雙針回零計數器 | |
| 標準型流量計 | M1 | 大字碼回零計數器 | 小字碼指示累積流量;大字碼回零。 |

2.發信器
OI系列橢圓齒輪流量計一般安裝Ag19、Ag20型電感式脈沖發信器,它可將流量最終轉換成電脈沖信號,輸至
電子一般或控制系統,以實現流量的遠傳顯示或控制。Ag19為單路脈沖輸出,Ag20為雙路等同脈沖輸出,可連
接至兩臺電子儀表。輸出配管尺寸內螺紋M20x1.5;如有需要,客戶可選G1/2。Ag19/20發信器的詳細說明見樣
本相關章節。

■主要流量計外形圖

■OUI系列流量計(標準型+保溫夾套)
為便于對常溫下易于凝固、某一溫度下易于凝結、結晶的介質在管道內能正常輸送以及流量檢測,往往需要對系統管道中的介質
進行加熱,使介質融化并保溫。但由于安裝橢圓齒輪流量計處不允許直接通以蒸汽(防止損壞流量計),為此我公司設計了OUI系列產品,即在OI系列流量計殼體外增加保溫夾套,可用熱水、熱油或低于200℃的蒸汽通入保溫夾套,使流量計(或過濾器)內已凝固的介質融化,并保持一定溫度,從而保證流量計能正常運行。橢圓齒輪流量計前安裝的過了過濾器可采用保溫夾套的形式,用戶需要可特殊訂貨。保溫夾套公稱壓力為0.5MPa。

■OI橢圓齒輪流量計產品標記
| 說明 | ||
| 流量計基本型號 | OI | 單體橢圓齒輪流量計 |
| OUI | 帶保溫夾套的橢圓齒輪流量計 | |
| OIP | 核電產品 | |
| OIPI | 核電抗震產品 | |
| 03........400 | 公稱通徑從6mm..............到100mm | |
| K | 基本規格基礎上擴展口徑,如OI5K(擴口) | |
| S | 基本規格基礎上縮小口徑(根據用戶需求) | |
| 發信器 | Ag19 | 單路脈沖發信器 |
| Ag20 | 雙路等同脈沖發信器 | |
| GF | 24V三線制光電發信器 | |
| MF | 4-20mA模擬量輸出發信器 | |
| 計數器 | R7 | 計數器代號,小型流量計專用 |
| E(Es) | 單指針計數器 | |
| D(Ds) | 雙指針計數器 | |
| / | 型號之間的連接符號 | |
| 材料組 | F2 | 材料組代號,殼體為鑄鋼,橢圓齒輪為不銹鋼 |
| G2 | 材料組代號,殼體是鑄鋼,橢圓齒輪為鑄鐵 | |
| F5 | 材料組代號,殼體、橢圓齒輪為316不銹鋼材質 | |
| F8 | 材料組代號,殼體、橢圓齒輪為304不銹鋼材質 | |
| - | 型號之間的連接符號 | |
| 專用標志 | F27 | 材料同F2,滾動軸承、高溫流量計代號 |
| F57 | 材料同F5,滾動軸承、高粘流量計代號 | |
| N | 普通高粘流量計 | |
| T | 高溫調整代號 | |
| S | 高溫流量計代號,須加熱延伸管 | |
| J | 高精度流量計代號 |
2.不帶發信器的流量計,可省略發信器項。
3.如無特別說明,流量計精度為0.5級。
■特別說明
特別說明主要針對特殊產品的一些標識,要求出現產品編號后以示區別。如0908001MI
| MI | HG | SH | SM | AS | JS |
| 軍工 | 化工 | 石化 | 船用 | 美國標準 | 日本標準 |











